西安西驰电气股份有限公司(证券代码831081),成立于2002年,是一家专业从事电力电子产品研发、制造、销售的高新技术企业。
了解更多
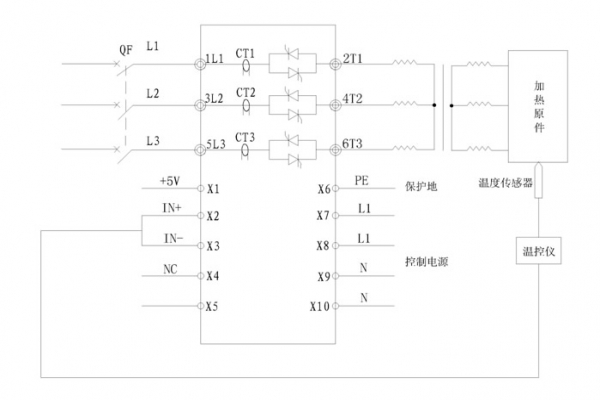
首先我们通过一个图来看看功率控制器在温度控制方面的典型应用:此应用中,功率控制器可选择为开环或恒压模式,温控仪用于目标温度的设定及现场温度的采集,将温控仪的输出信号接于功率控制器的...
了解详情 +消火栓泵、喷淋泵是工业和民用建筑消防设施的重要消防装备,其运行可靠性极其重要,随着大中型建设项目的兴建,所配置的消火栓泵、喷淋泵功率、扬程增大,传统的降压起动方式凸显其缺陷,尤其高...
了解详情 +一、日常维护程序1、检查断路器及熔丝;2、检查所有电力接驳点的松紧;3、检查隔离开关的接驳点及操作;4、检查周边温度;5、检查设备通风情况,清理风扇网罩上的积尘。二、定期维护程序每...
了解详情 +控制策略较简单,可采用变周期周波模式,克服移相模式功率因数低、对电网污染大等缺点。变周期周波控制方式,负载电流以全正弦波为单位均匀分布。本产品的变周期周波控制方式专为这种负载设计的...
了解详情 +软启动器出现报缺相故障一般出现在起动的时候,软启动器故障灯亮,但是电机没反应,导致这样的故障一般的原因有3个:1、起动方式采用带电方式时,操作顺序有误。2、电源缺相,软起动器保护动...
了解详情 +
Copyright © 2019 西安西驰电气股份有限公司 保留所有版权 陕ICP备09009982号-1
陕公安备 61019002000087